◆ Infinity Optical system design, short and beautiful, large depth of field, can be with detent.
◆ Enriched accessories, various CCD adapters, magnification objectives, coaxial illumination are available.
◆ MZDV0640, MZDV0640C
◆ Widely applied in semiconductor equipments, especially suitable in two-dimensional, three-dimensional measurement systems
Can be custom-made pre-set stops at integer magnification with detent in zoom course.
Magnification positioned repeatedly and exactly with detents in zoom course.
Specifications
| Zoom range | 0.6X~4.0X |
| Zoom radio | 6.7: 1 |
| WD | 83mm(1X Objective) |
| Illumination | Adjustable high brightness , long life LED coaxial illumination |
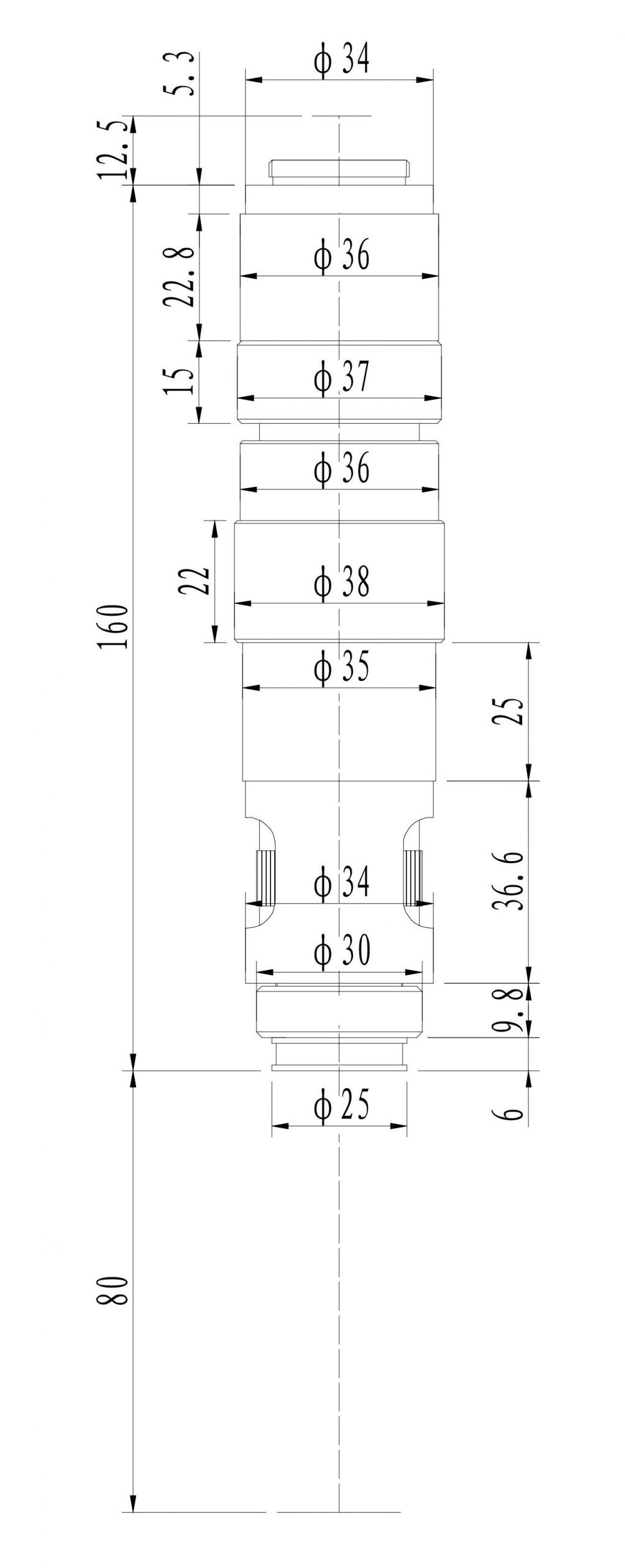
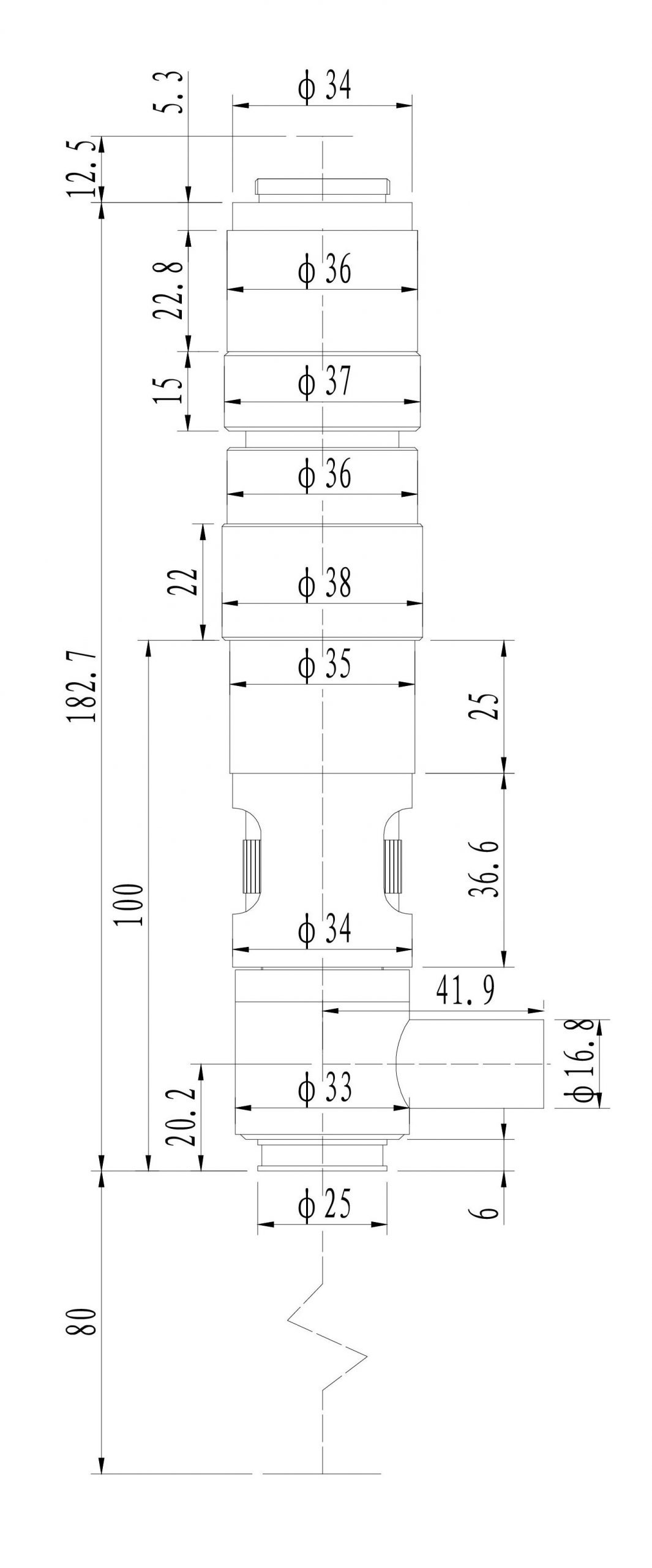
| Holder and Main body matched dimension | Φ35mm |
| Mount | Standard CS-mount(distance between the bearing surface and the CCD plane is 12.5mm) |
Parameters
| Objective | Items | CCD adapter | |||
| 0.5X | 1X | 1.5X | 2X | ||
| 0.3X WD:293mm | Total Mag. | 0.09X~0.6X | 0.18X~1.2X | 0.27X~1.8X | 0.36X~2.4X |
| FOV(mm) | 40X53.33~6X8 | 20X26.67~3X4 | 13.33X17.78~2X2.67 | 10X13.33~1.5X2.0 | |
| 0.4X WD:223mm | Total Mag. | 0.12X~0.8X | 0.24X~1.6X | 0.36X~2.4X | 0.48X~3.2X |
| FOV(mm) | 30X40~4.5X6 | 15X20~2.25X3 | 10X13.33~1.5X2 | 7.5X10~1.13X1.5 | |
| 0.5X WD:175mm | Total Mag. | 0.15X~1X | 0.30X~2X | 0.45X~3X | 0.6X~4X |
| FOV(mm) | 24X32~3.6X4.8 | 12X16~1.8X2.4 | 8.0X10.67~1.2X1.6 | 6.0X8.0~0.9X1.2 | |
| 0.6X WD:145mm | Total Mag. | 0.18X~1.2X | 0.36X~2.4X | 0.54X~3.6X | 0.72X~4.8X |
| FOV(mm) | 20X26.67~3X4 | 10X13.33~1.5X2 | 6.67X8.89~1X1.33 | 5X6.67~0.75X1 | |
| 0.75X WD:117mm | Total Mag. | 0.23X~1.5X | 0.45X~3X | 0.68X~4.5X | 0.9X~6X |
| FOV(mm) | 16X21.33~2.4 X3.2 | 8.0X10.67~1.2X1.6 | 5.33X7.11~0.8X1.07 | 4.0X5.33~0.6X0.8 | |
| 0.9X WD:93mm | Total Mag. | 0.27X~1.8X | 0.54X~3.6X | 0.81X~5.4X | 1.08X~7.2X |
| FOV(mm) | 13.33X17.78~2X2.67 | 6.67X8.89~1X1.33 | 4.44X5.93~0.67X0.89 | 3.33X4.44~0.5X0.67 | |
| 1X WD:83mm | Total Mag. | 0.3X~2X | 0.6X~4X | 0.9X~6X | 1.2X~8X |
| FOV(mm) | 12X16~1.8X2.4 | 6.0X8.0~0.9X1.2 | 4.0X5.33~0.6X0.8 | 3.0X4.0~0.45X0.6 | |
| 1.5X WD:54mm | Total Mag. | 0.45X~3X | 0.9X~6X | 1.35X~9X | 1.8X~12X |
| FOV(mm) | 8X10.67~1.2X1.6 | 4.0X5.33~0.6X0.8 | 2.67X3.56~0.4X0.53 | 2.0X2.67~0.3X0.4 | |
| 2X WD:35mm | Total Mag. | 0.6X~4X | 1.2X~8X | 1.8X~12X | 2.4X~16X |
| FOV(mm) | 6X8~0.9X1.2 | 3.0X4.0~0.45X0.6 | 2.0X2.67~0.3X0.4 | 1.5X2.0~0.23X0.3 | |
| Zoom body magnification range: 0.6X~4.0X | |||||
| mag. | NA | DOF | Resolution | TV Distortion | Fixed Dim.:Φ45mm Max compatible camera:1/2″ CCD screw mount: 1 inch 32 button | |
| 1X CCD adapter | 1X CCD plane adapter | |||||
| 0.6X | 0.021 | 3.2mm | 16μm | 0.5% | 0.05% | |
| 2.0X | 0.068 | 0.29mm | 4.9μm | 0.4% | 0.07% | |
| 4.0X | 0.097 | 0.10mm | 3.5μm | 0. 3% | 0. 04% | |






Reviews
There are no reviews yet.